ZL-10KV绝缘耐压测试仪使用说明

一:ZL-10KV绝缘耐压测试仪主要技术参数

1:电源输入 单相220V  50HZ

2:额定容量  1KVA 变压器

3:输出电压  AC:0-10KV、DC:0-10KV

4:泄漏电流 AC 0-30mA/DC 0-30mA

5:工作时间0-300s

6:控制方式  自动


二:10KV绝缘耐压测试仪原理图


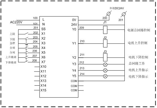
三:10KV绝缘耐压测试仪接线示意图

使用方法

1:连接好面板对应AC或者DC连接线,接电源AC220V输入特别提醒:请接好面板上面标示的接地线,请务必接好,否则会超成安全事故接通电源AC220V,打开电源开关。

2:点击触摸屏,进入设置界面,

3:参数设定一般只需设定,输出电压,泄漏电流,通电时间三个参数即可,其他不要改,设定好参数后,点击“返回”到主界面,再点击一下“测试”按钮,界面“工作”指示灯为红色并闪烁,升压指示灯亮,至额定电压,“升压”停止并开始计时-计时完成-降压-主回路断开。整个耐压过程将按要求自动完成。并记录所有参数,点击“试验报告打印”将打印测试结果。

4:测试过程中,如果输出电压相差太多,按下“升压、降压”按钮,微调输出电压;如果出现主回路电流过大或泄漏电流过大主回路将立即停车,或人为按下电源开关,急停复位,所有电路将自动复位。


四、10KV绝缘耐压测试仪界面说明

主界面

点击进入测试界面

直流测试界面

交流测试界面

点击“开始”测试,将自动完成整个测试过程


尊敬的客户:
感谢您关注我们的产品,本公司除了有此产品介绍以外,还有大电流发生器耐电压测试仪直流高压发生器直流电阻测试仪真空滤油机等等的介绍,您如果对我们的产品有兴趣,欢迎来电咨询。谢谢!

首 页 | 彩神8争霸lll简介 | 新闻动态 | 产品介绍 | 人才招聘 | 企业邮局 | 联系我们
版权所有:扬州志力电气科技有限公司 电话:86-0514-88771811 传真:86-0514-88770226 备案号: 苏ICP备15009851号-2
苏公网安备32102302010504