| 产品名称:ZL-10KV绝缘耐压测试仪 |
| 产品型号: |
| |
| ZL-10KV绝缘耐压测试仪详细介绍: |
一:ZL-10KV绝缘耐压测试仪主要技术参数
1:电源输入 单相220V 50HZ
2:额定容量 1KVA 变压器
3:输出电压 AC:0-10KV、DC:0-10KV
4:泄漏电流 AC 0-30mA/DC 0-30mA
5:工作时间0-300s
6:控制方式 自动
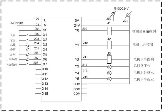
二:ZL-10KV绝缘耐压测试仪原理图
三:ZL-10KV绝缘耐压测试仪接线示意图
使用方法
1:连接好面板对应AC或者DC连接线,接电源AC220V输入,特别提醒:请接好面板上面标示的接地线,请务必接好,否则会超成安全事故!接通电源AC220V,打开电源开关。
2:点击触摸屏,进入设置界面,
3:参数设定一般只需设定,输出电压,泄漏电流,通电时间三个参数即可,其他不要改,设定好参数后,点击“返回”到主界面,再点击一下“测试”按钮,界面“工作”指示灯为红色并闪烁,升压指示灯亮,至额定电压,“升压”停止并开始计时-计时完成-降压-主回路断开。整个耐压过程将按要求自动完成。并记录所有参数,点击“试验报告打印”将打印测试结果。
4:测试过程中,如果输出电压相差太多,按下“升压、降压”按钮,微调输出电压;如果出现主回路电流过大或泄漏电流过大主回路将立即停车,或人为按下电源开关,急停复位,所有电路将自动复位。
四、ZL-10KV绝缘耐压测试仪界面说明
主界面
点击进入测试界面
直流测试界面
交流测试界面
点击“开始”测试,将自动完成整个测试过程

|
|